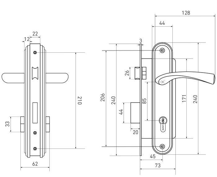
Замок врезной с ручками. Предназначен для установки в деревянные двери толщиной 35-38мм, правого и левого открывания. Дверь может быть закрыта на защелку и открыта с помощью фалевой ручки при открытом засове замка.
Один плоский стальной ригель размером 20х44мм. Универсальная защелка. Стальной корпус с подшипником, покрыт полимерной краской. Межосевое расстояние 85 мм. Удаление ключевого отверстия 45мм. Материал ручек - сплав ЦАМ.
Комплектация:латунный цилиндровый механизм 62мм, 5 перфоключей, ответная планка, винтовые стяжки.

замок врезной булат номос